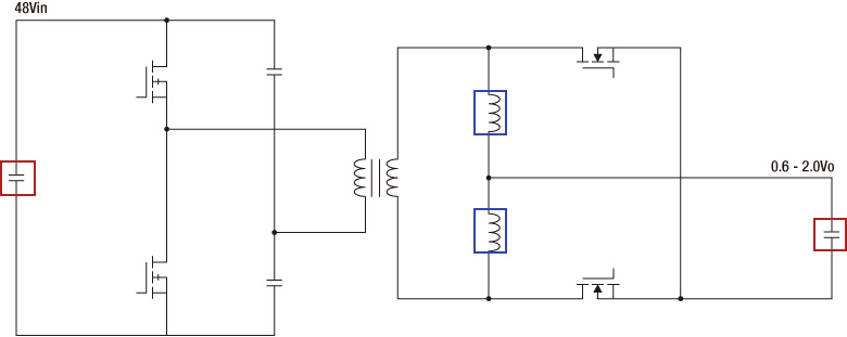
Information & Communication Technology48V POL PDF コンデンサ 48V Bus Cap MLCC 定格電圧 : 100V Smoothing Cap. 定格電圧 : 10V以下 インダクタ Power Inductor General commercial Inductors TLVR Inductor VLBUC シリーズ