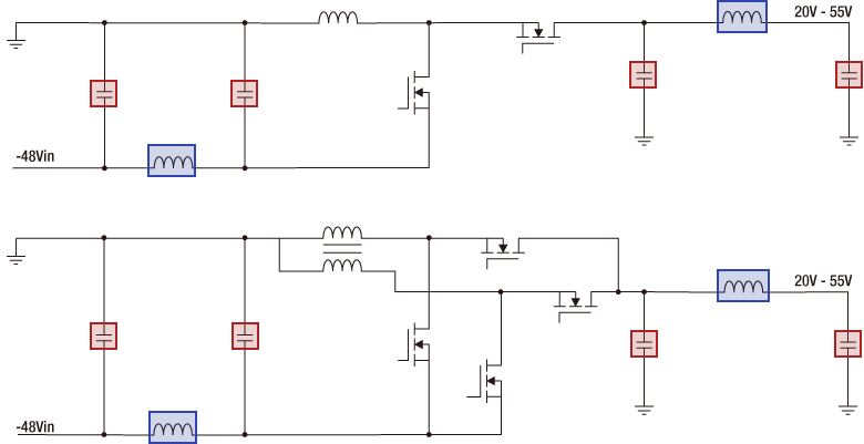
Information & Communication Technology昇降圧コンバータ PDF コンデンサ 48V Bus Cap MLCC 定格電圧 : 100V インダクタ Filter VLB シリーズ