パワーインダクタ BCLシリーズ
本記事では、BCLシリーズの構造や特徴、用途など皆様に役立つ情報を分かりやすく解説します。
目次
製品の概要
BCLシリーズの概要を図1に示します。
| シリーズ | BCLシリーズ |
|---|---|
| 製品概要 | 金属磁性材料を使用した、巻線パワーインダクタ。
|
| 特徴 | ・小型で高インダクタンス ・低漏洩磁束 ・高効率 ・使用温度範囲は、-55℃~155℃(自己温度上昇含む) ・定格電圧40V ・AEC-Q200対応 |
| 用途 | 車載(ADAS、各種ECU) |
製品の構造
BCLシリーズの構造を図2に示します。BCLシリーズは、巻線工法を用いたインダクタです。
空芯コイルを金属磁性材料でモールドし、底面に引き出したワイヤーを端子に接続しています。
製品の特徴
BCLシリーズは、直流重畳特性に優れた金属磁性材料を使用しているため、同等サイズのフェライト材製品よりも大電流に対応しています。
直流重畳特性の比較
BCLシリーズは、コイルが金属材料で完全にモールドされた一体構造により、TDKの他のシリーズと比較して、漏洩磁束が少なく、電源回路での高効率を実現しています。
漏洩磁束
電源効率
アプリケーション
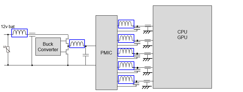
BCLシリーズの使用事例を図6の青枠で示します。
40Vの耐圧保証のため、12V電源の降圧回路など、車載用DC/DCコンバータのPMICに使用することができます。
従来のフェライトインダクタに比べて、大電流対応、小型化、高密度実装が可能です。
ADAS / AD ECU
製品詳細
下記リンクをクリックすると、BCLシリーズの詳細な情報を見たり、サンプルを購入することができます。
さらなるラインナップの拡充を図り、お客様の多種多様な電源回路用インダクタニーズに対応してまいります。
パワーインダクタとは?
パワーインダクタとはDC-DCコンバータなどの電源回路で使用されるインダクタのことで、パワーコイル、パワーチョークなどと呼ばれることもあります。インダクタは自己誘導作用によりエネルギーを蓄える性質をもっており、チョッパ方式のDC-DCコンバータなどは、このインダクタとスイッチング素子を組み合わせることにより、電圧の変換を行っています。(図8参照)
インダクタは工法によって積層タイプ、薄膜タイプ、巻線タイプに分けられますが、パワーインダクタには大電流を流せる巻線タイプが主流で、これにフェライトや軟磁性金属のコアを組み合わせた様々な製品があります。また小型、薄型化が可能な積層タイプ、薄膜タイプも近年では大電流化が進んできています。
デューティ比(スイッチング周期に対するON時間の比)
の設定により必要な電圧に降下させる。
スイッチングを繰り返す





